1
/
de
3
FASTENI
ZweiL® Edelstahl-Griffmuschel, 80 mm (3,2″) ZL-2501-80. Hochwertige massive und elegante Griffmuschel aus feinstem Edelstahl V4A (SUS316) für exklusive Raumgestaltung und hochwertige Einrichtungen von Sugatsune / LAMP® (Japan)
ZweiL® Edelstahl-Griffmuschel, 80 mm (3,2″) ZL-2501-80. Hochwertige massive und elegante Griffmuschel aus feinstem Edelstahl V4A (SUS316) für exklusive Raumgestaltung und hochwertige Einrichtungen von Sugatsune / LAMP® (Japan)
Prix habituel
€529,99 EUR
Prix habituel
Prix promotionnel
€529,99 EUR
Prix unitaire
/
par
Taxes incluses.
Frais d'expédition calculés à l'étape de paiement.
Impossible de charger la disponibilité du service de retrait
Coque de poignée exclusive ZweiL® en acier inoxydable SUS316 ZL-2501-80
Application: Coque de poignée de haute qualité, solide et élégante en acier inoxydable V4A (SUS316) de qualité supérieure pour un design intérieur exclusif et un ameublement de haute qualité. L'acier inoxydable SUS316 confère aux coques de poignée ZL-2501-80 des propriétés uniques. La surface est en partie brillante et en partie satinée, créant des effets optiques et tactiles uniques. Les coques de poignée ZL-2501-80 sont idéales pour :- navires de croisière
- yachts
- bateaux
- Avions privés
- Espace extérieur
- installations côtières
- Hôtels de luxe
- salles de bains exclusives
- Installations de luxe
- ZweiL® est synonyme de qualité exclusive de la surface en acier inoxydable
- La surface de haute qualité est traitée avec soin et présente une structure et une apparence uniques
- Les lignes sont droites, claires et nettes
- Les coques de poignée ZL-2501-80 semblent solides et de très haute qualité
- Le montage se fait à l'aide des vis incluses dans la livraison (3,1 × 16 mm)
- Les vis de fixation sont également en acier inoxydable
- La poignée est encastrée dans la porte
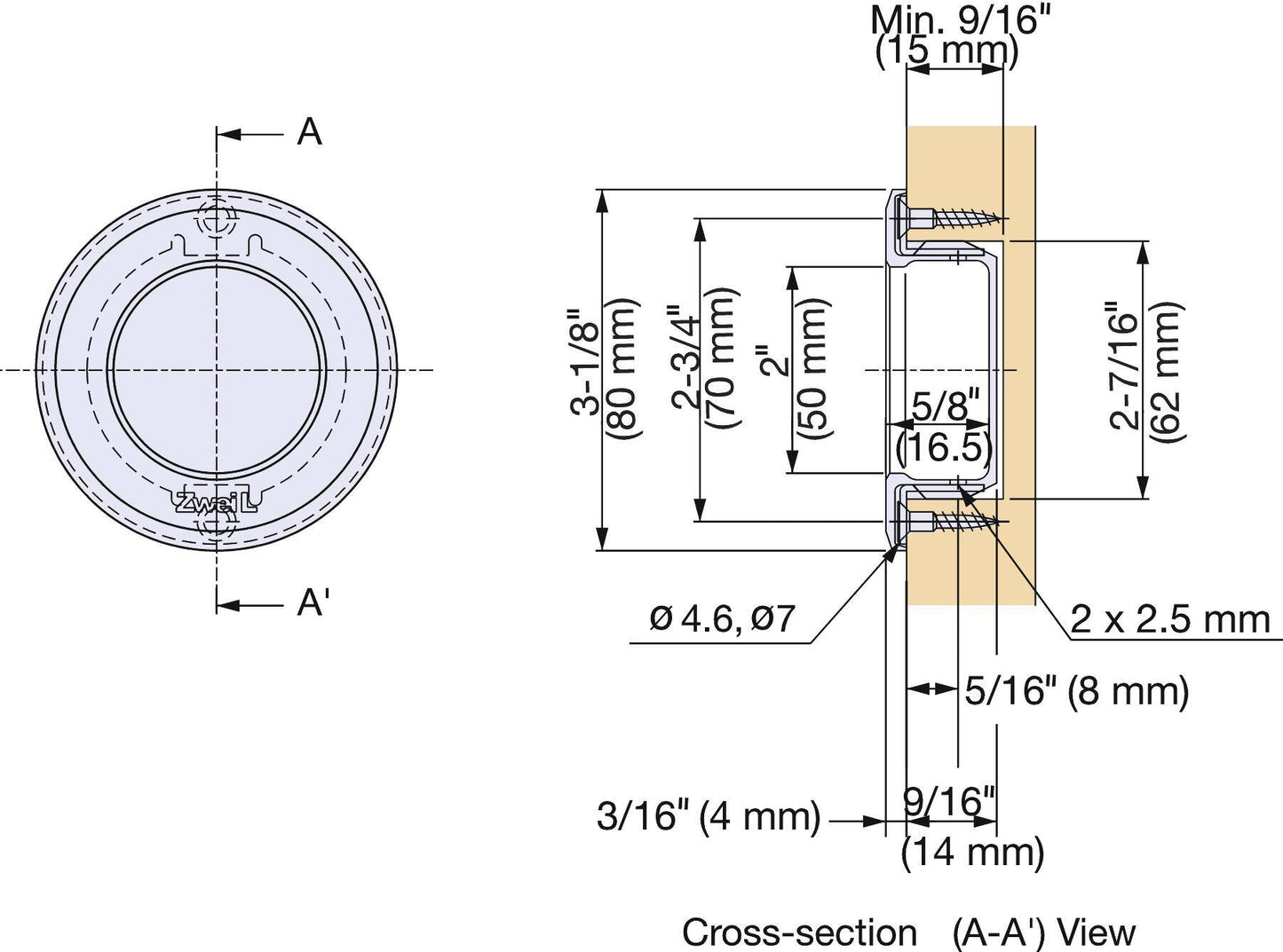
- Un trou d'une profondeur minimale de 15 mm (0,6″) et d'un diamètre de Φ62 mm (2,45″) doit être percé
- Tout d'abord, le support est monté
- Ensuite, la coque du manche est vissée dans le support (voir dessin ).

- Poids : 196 g
- Taille : 80 mm (3,2″)
- Laisser entrer
- Surface soigneusement finie
- Résistant à la corrosion
- Optiques exclusives de haute qualité
- Diamètre de la coque du manche : Φ80 mm (3,15″)
- Diamètre intérieur : Φ50 mm (1,97″)
- Profondeur de la coque de poignée : 16,5 mm (0,65″)
- Diamètre du trou de montage dans la porte : Φ62 mm (2,45″)
- Profondeur minimale du trou de montage : 15 mm (0,6″)

- 1 coque de poignée ZL-2501-80 en acier inoxydable SUS316 (V4A)
- Support 1 pièce
- 4 vis de montage M3,1 × 16 mm
- Numéro d'article : 100-011-035
- Nom de l'article : ZL-2501-80
- Numéro EAN : 4510932009737


Partager


