1
/
of
3
FASTENI
Edelstahl-Klappgriff SUS304, 110 mm (4,4″) HR-110RS. Drehbarer Edelstahl-Klappgriff aus rostfreiem Edelstahl V2A, satiniert matt, für Revisionsklappe, Revisionstür, Wartungstür, feuchte Umgebung, Schiff, Caravan von Sugatsune / LAMP® (Japan)
Edelstahl-Klappgriff SUS304, 110 mm (4,4″) HR-110RS. Drehbarer Edelstahl-Klappgriff aus rostfreiem Edelstahl V2A, satiniert matt, für Revisionsklappe, Revisionstür, Wartungstür, feuchte Umgebung, Schiff, Caravan von Sugatsune / LAMP® (Japan)
Regular price
€21,99 EUR
Regular price
Sale price
€21,99 EUR
Unit price
/
per
Taxes included.
Shipping calculated at checkout.
Couldn't load pickup availability
Stainless steel folding handle made of stainless steel V2A (SUS304) HR-110RS
Application: [caption id="attachment_46207" align="alignnone" width="420"]
Sugatsune's SUS304 stainless steel folding handle, HR-110RS (110 mm), satin finish. Application[/caption]
Rotatable stainless steel folding handle made of V2A stainless steel, satin matt, for inspection hatch, inspection door, maintenance door, damp environment, ship, caravan.
The stainless steel folding handles HR-110RS have a simple and elegant design and can be used in a variety of ways.
The HR-110RS inset handles can only be mounted vertically. They are not suitable for use with floor hatches or ceiling flaps.
The high-quality HR-110RS stainless steel folding handles are ideal for:
- Inspection hatch
- inspection door
- Maintenance door
- humid environment
- Ship
- Caravan
- Maintenance opening
- Cleaning flap
- Satin matt
- The stainless steel folding handles HR-110RS are designed for
- The mounting is done using the screws included in delivery (3.5 × 22 mm)
- The fastening screws are also made of stainless steel
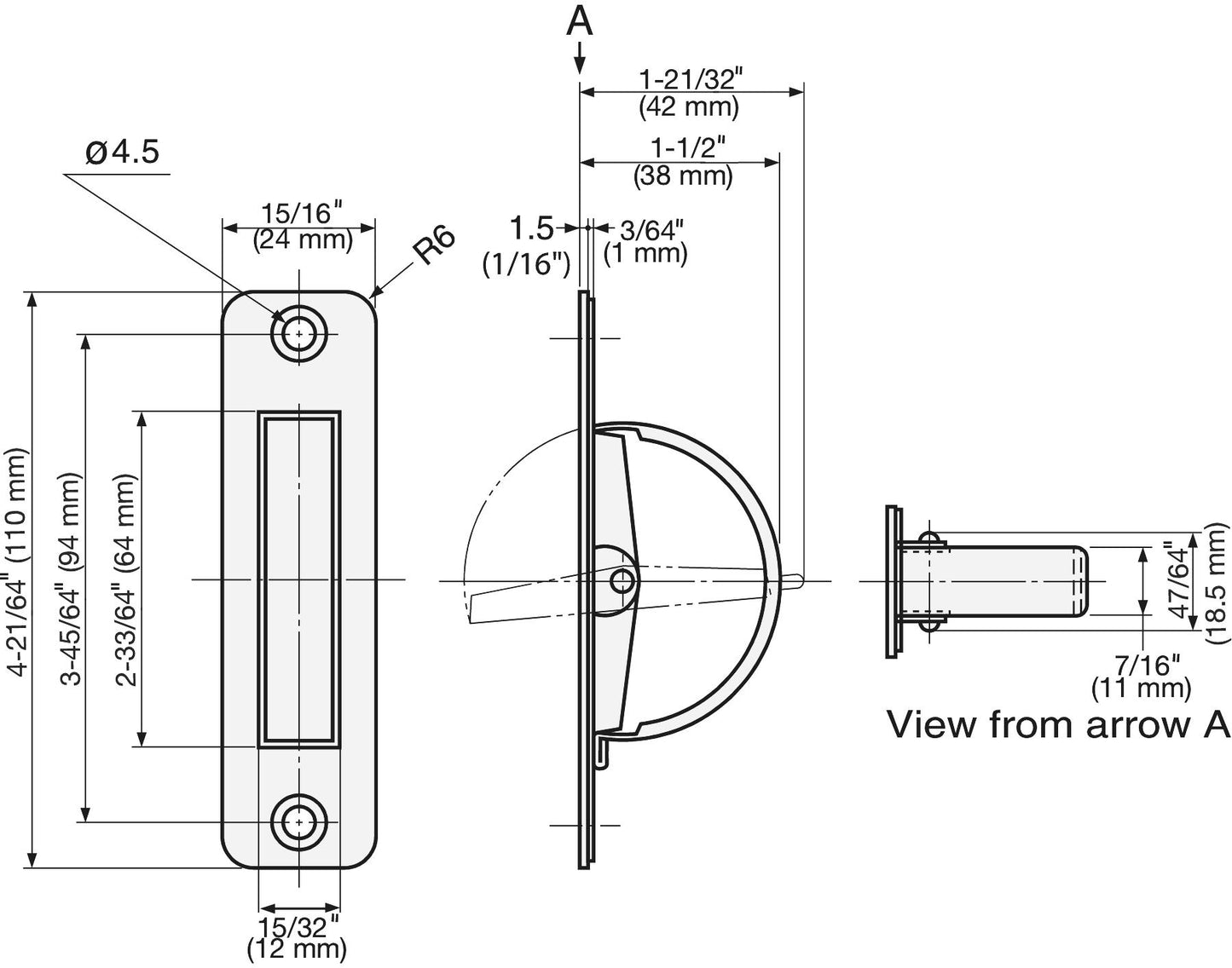
- For installation, a cutout measuring 64.5 x 19 mm and a depth of at least 42.5 mm must be made on the door
- Please ensure that the upper and lower sides are correctly positioned during assembly
- Weight: 55 g
- Load capacity: 98 N (10 kp)
- Size: 110 mm (4.4″)
- Shape: rectangular with rounded corners (R = 6mm)
- Unique design
- Made of stainless steel
- Stainless steel
- Corrosion-resistant
- High quality
- Material thickness: 1.5 mm
- Height of the stainless steel folding handle: 110 mm (4-11/32″)
- Width: 24 mm (30/32″)
- Distance between mounting holes: 94 mm (3-22/32″)
- Grip area size: 64 mm (2-17/32″)
Sugatsune's SUS304 stainless steel folding handle, HR-110RS (110 mm), satin finish. Technical drawing[/caption]
Included in delivery:
- 1 piece stainless steel folding handle HR-110RS made of stainless steel SUS304 (V2A)
- 2 x 3.5 × 22 mm stainless steel fastening screws
- Article number: 100-019-059
- Article name: HR-110RS
- EAN number: 4510932000246
Share
